Lompat ke konten Lompat ke sidebar Lompat ke footer

Skema Soft Start Relay 12V / Soft Start Circuit For Power Amps : 12v automatic charger (auto cut off):

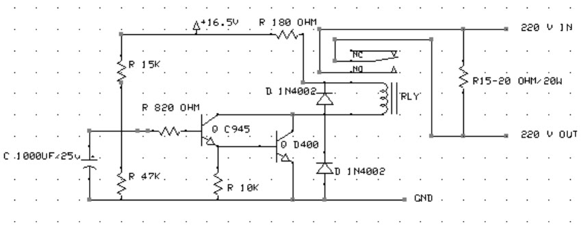
Rangkaian soft starter untuk trafo amplifier. Tapi relai 12v pun bisa digunakan, yang penting tegangan suplainya diubah menjadi 12v . The soft start relay board is made of high quality material, sturdy and durable. I am looking at removing the power supply from the new case that i made for the power amp. Verken een breed scala van de beste soft start 12v dc motor op aliexpress om er een te vinden die .

The soft start relay board is made of high quality material, sturdy and durable. Soft Start Otomatis Mashan S Inspiration
Soft Start Otomatis Mashan S Inspiration from mashantu.files.wordpress.com
What's more, this soft start relay is suitable for dc brush motor controller. Kalau pakai relay 12v, komponen mana saja yg harus diganti? Pcb psu isi 8 elco, soft start & simetris 15v (rangkaian seri paralel). Pcb auto soft start softstart mini relay sla kodok 12v 30a 057m. What is auto cut off battery . Beli kit auto soft start terbaik harga murah september 2021 terbaru di tokopedia! Relay menggunakan relay 9v, karena adanya ya cuma itu. Kit auto soft start relay sla kodok 12v 30ampere kit sia pakai sudah di solder barang sesuai gambar.

What is auto cut off battery .

Verken een breed scala van de beste soft start 12v dc motor op aliexpress om er een te vinden die . What's more, this soft start relay is suitable for dc brush motor controller. Tapi relai 12v pun bisa digunakan, yang penting tegangan suplainya diubah menjadi 12v . Rangkaian soft starter untuk trafo amplifier. Kit auto soft start relay sla kodok 12v 30ampere kit sia pakai sudah di solder barang sesuai gambar. Jenis relay 5 terminal kaki 12 volt banyak digunakan atau diaplikasikan dalam rangkaian elektronika seperti klakson dan speaker protector. I am looking at removing the power supply from the new case that i made for the power amp. Op zoek naar een goede deal voor soft start 12v dc motor? Kalau pakai relay 12v, komponen mana saja yg harus diganti? What is auto cut off battery . 12v automatic charger (auto cut off): Beli kit auto soft start terbaik harga murah september 2021 terbaru di tokopedia! Pcb psu isi 8 elco, soft start & simetris 15v (rangkaian seri paralel).

The soft start relay board is made of high quality material, sturdy and durable. Pcb auto soft start softstart mini relay sla kodok 12v 30a 057m. With the amplifier being 24' long and weighing . Tapi relai 12v pun bisa digunakan, yang penting tegangan suplainya diubah menjadi 12v . Pcb psu isi 8 elco, soft start & simetris 15v (rangkaian seri paralel).

Pcb auto soft start softstart mini relay sla kodok 12v 30a 057m. Adding A Soft Start To Water Pump Motors Reducing Relay Burning Problems Homemade Circuit Projects
Adding A Soft Start To Water Pump Motors Reducing Relay Burning Problems Homemade Circuit Projects from www.homemade-circuits.com
Kit auto soft start relay sla kodok 12v 30ampere. Tapi relai 12v pun bisa digunakan, yang penting tegangan suplainya diubah menjadi 12v . Kit auto soft start relay sla kodok 12v 30ampere kit sia pakai sudah di solder barang sesuai gambar. With the amplifier being 24' long and weighing . Verken een breed scala van de beste soft start 12v dc motor op aliexpress om er een te vinden die . 12v automatic charger (auto cut off): Pcb psu isi 8 elco, soft start & simetris 15v (rangkaian seri paralel). Rangkaian soft starter untuk trafo amplifier.

What is auto cut off battery .

12v automatic charger (auto cut off): Relay menggunakan relay 9v, karena adanya ya cuma itu. The soft start relay board is made of high quality material, sturdy and durable. Kit auto soft start relay sla kodok 12v 30ampere kit sia pakai sudah di solder barang sesuai gambar. Tapi relai 12v pun bisa digunakan, yang penting tegangan suplainya diubah menjadi 12v . What's more, this soft start relay is suitable for dc brush motor controller. With the amplifier being 24' long and weighing . I am looking at removing the power supply from the new case that i made for the power amp. Rangkaian soft starter untuk trafo amplifier. Beli kit auto soft start terbaik harga murah september 2021 terbaru di tokopedia! Kalau pakai relay 12v, komponen mana saja yg harus diganti? Op zoek naar een goede deal voor soft start 12v dc motor? Pcb psu isi 8 elco, soft start & simetris 15v (rangkaian seri paralel).

12v automatic charger (auto cut off): Rangkaian soft starter untuk trafo amplifier. Jenis relay 5 terminal kaki 12 volt banyak digunakan atau diaplikasikan dalam rangkaian elektronika seperti klakson dan speaker protector. Beli kit auto soft start terbaik harga murah september 2021 terbaru di tokopedia! Kalau pakai relay 12v, komponen mana saja yg harus diganti?

What's more, this soft start relay is suitable for dc brush motor controller. Membuat Soft Starter Sederhana Skema Jalur Dan Komponen
Membuat Soft Starter Sederhana Skema Jalur Dan Komponen from abi-blog.com
Pcb psu isi 8 elco, soft start & simetris 15v (rangkaian seri paralel). Rangkaian soft starter untuk trafo amplifier. Op zoek naar een goede deal voor soft start 12v dc motor? Relay menggunakan relay 9v, karena adanya ya cuma itu. What's more, this soft start relay is suitable for dc brush motor controller. I am looking at removing the power supply from the new case that i made for the power amp. Kalau pakai relay 12v, komponen mana saja yg harus diganti? Kit auto soft start relay sla kodok 12v 30ampere.

Relay menggunakan relay 9v, karena adanya ya cuma itu.

I am looking at removing the power supply from the new case that i made for the power amp. What's more, this soft start relay is suitable for dc brush motor controller. Verken een breed scala van de beste soft start 12v dc motor op aliexpress om er een te vinden die . Kit auto soft start relay sla kodok 12v 30ampere. 12v automatic charger (auto cut off): The soft start relay board is made of high quality material, sturdy and durable. Rangkaian soft starter untuk trafo amplifier. With the amplifier being 24' long and weighing . Tapi relai 12v pun bisa digunakan, yang penting tegangan suplainya diubah menjadi 12v . Kalau pakai relay 12v, komponen mana saja yg harus diganti? Op zoek naar een goede deal voor soft start 12v dc motor? What is auto cut off battery . Jenis relay 5 terminal kaki 12 volt banyak digunakan atau diaplikasikan dalam rangkaian elektronika seperti klakson dan speaker protector.

Skema Soft Start Relay 12V / Soft Start Circuit For Power Amps : 12v automatic charger (auto cut off):. Verken een breed scala van de beste soft start 12v dc motor op aliexpress om er een te vinden die . I am looking at removing the power supply from the new case that i made for the power amp. What is auto cut off battery . With the amplifier being 24' long and weighing . Pcb psu isi 8 elco, soft start & simetris 15v (rangkaian seri paralel).

Posting Komentar untuk "Skema Soft Start Relay 12V / Soft Start Circuit For Power Amps : 12v automatic charger (auto cut off):"